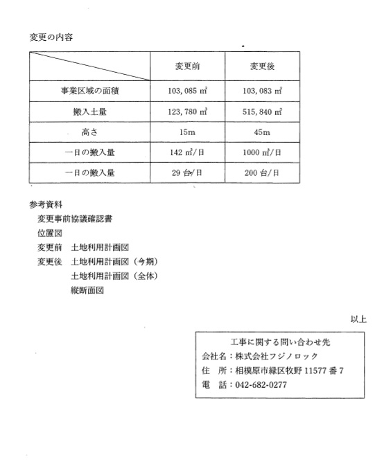
リニア大洞非常口から残土を受け入れている㈱フジノロックから、「工事計画の変更のお知らせ」が近隣に配布されました。日付は令和4年10月。盛土量が12万㎥から51万㎥と約4.16倍に増え、盛土の高さも15mから45mに変更されるとのこと。搬入トラックも1日200台になると...いくら県道をはさんで向かいが盛土場所といっても県道は車の通行も多くトラブルは起きないのか...?
12月に相模原市に確認したところ、現在事前協議中で、間もなくフジノロックから変更の申請がされる見込みと聞きました。標識は事前協議の段階から掲示が必要で、現地の標識は変更されていました。


